产品分类
        FZY-N系列排风扇
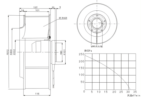
        FZL-W系列排风扇
  当前位置: 产品展示
使用环境条件:温度-40度-55度,相对湿度不大于90%(25度时)海拔高度2500mm
型号 电压(V)频率Hz相数 输入功率W电流AMP转速r/min风量m3/min噪音db重量kg电容uF/v轴承型式Bearing Type
225FLW6 220 50 1 130 0.6 2500 18 460 2 3.3/500 G
225FLW7 380 50 3 110 0.32 2500 18 460 2   G
 
型号 电压(V)频率Hz相数 输入功率W电流AMP转速r/min风量m3/min静压Pa噪音db重量kg电容uF/v轴承型式Bearing Type
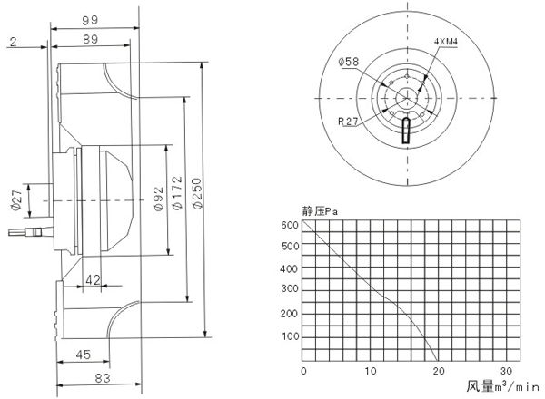
250FLW6 220 50 1 130 0.6 2400 19.8 500 65 2 3.3/500 G
250FLW7 380 50 3 110 0.3 2400 19.8 500 65 2   G
 
使用环境条件:温度-40度-55度,相对湿度不大于90%(25度时)海拔高度2500mm
型号 电压(V)频率Hz相数 输入功率W电流AMP转速r/min风量m3/min噪音db重量kg电容uF/v轴承型式Bearing Type
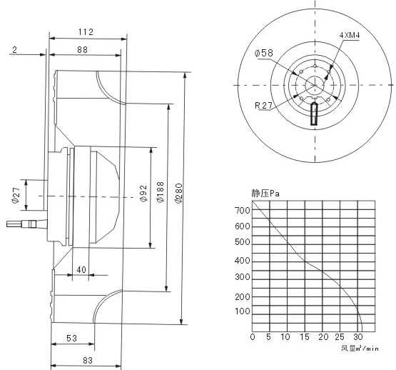
280FLW6 220 50 1 250 1.4 2500 31 700 68 3 5/500 G
280FLW7 380 50 3 250 0.6 2500 31 700 68 3   G
 
使用环境条件:温度-40度-55度,相对湿度不大于90%(25度时)海拔高度2500mm
型号 电压(V)频率Hz相数 输入功率W电流AMP转速r/min风量m3/min噪音db重量kg电容uF/v轴承型式Bearing Type
310FLW2 220 50 1 130 0.65 1300 31 280 65 4 3.3/500 G
310FLW3 380 50 3 120 0.35 1300 31 280 65 4   G
 
上一页   下一页
 
苏州大华电讯电机厂     联系人:王豪:15952409311  E-Mail:wanghao45@126.com   电话:0512-52477305
邮  编:215562     E - mail:cy@sz-dahuadxdj.com      传真:0512-52477385
地址:江苏省常熟市杨园工业园    技术支持:苏州商赢科技