产品分类
        FZY-N系列排风扇
        FZL-W系列排风扇
  当前位置: 产品展示
使用环境条件:温度-40度-80度,相对湿度不大于90%(25度时)海拔高度2500mm
型号 电压(V)频率Hz相数 输入功率W电流AMP转速r/min风量m3/min噪音db重量kg电容uF/v轴承型式Bearing Type
150FLJ3(N) 380 50 3 150 0.35 2600 4.5 72 6.0 3/250 G
150FLJ4(N) 220 50 1 150 0.70 2600 4.5 72 6.0 2/400 G
 
使用环境条件:温度-40度-80度,相对湿度不大于90%(25度时)海拔高度2500mm
型号 电压(V)相数输入电流频率Hz 输入功率W转速r/min风量m3/min静压Pa噪音db重量kg电容uF/v轴承型式Bearing Type
150FLJ5(N) 380 3 50 0.6 250 2700 11 460 76 6   G
150FLJ6(N) 380 1 50 0.95 330 2700 11 460 76 6 1.8/500 G
150FLJ7(N) 220 1 50 1.6 330 2700 11 460 76 6 5/500 G
 
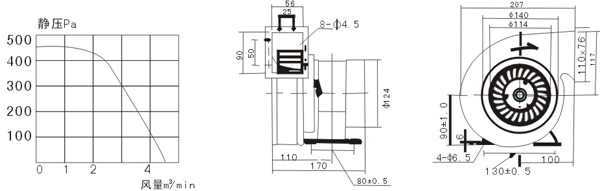
使用环境条件:温度-40度-80度,相对湿度不大于90%(25度时)海拔高度2500mm
型号 电压(V)频率Hz相数 输入功率W电流AMP转速r/min风量m3/min静压Pa噪音db重量kg电容uF/v轴承型式Bearing Type
150FLJ15(W) 380 1 50 0.65 240 2600 9.5 430 75 3.5 1.8/630 G
150FLJ16(W) 380 3 50 0.55 240 2600 9.5 430 75 3.5   G
150FLJ17(W) 220 1 50 1.1 240 2600 9.5 430 75 3.5 5/500 G
 
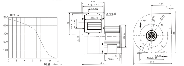
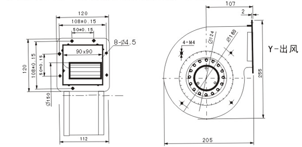
使用环境条件:温度-40度-55度,相对湿度不大于90%(25度时)海拔高度2500mm
型号 电压(V)频率Hz相数 输入功率W电流AMP转速r/min风量m3/min静压Pa噪音db重量kg电容uF/v轴承型式Bearing Type
165FLJ1(N) 380 1 50 2 450 2600 15 720 76 5/500 8 G
165FLJ2(N) 380 1 50 1.2 400 2600 15 720 76 2/600 8 G
165FLJ3(N) 380 3 50 1.1 400 2600 15 720 76   8 G
165FLJ1(W) 220 1 50 1.5 300 2600 13 700 76 5/500 6 G
165FLJ2(W) 380 1 50 0.65 300 2600 13 700 76 2/630 6 G
165FLJ3(W) 380 3 50 0.7 300 2600 13 700 76   6 G
205FLJ1(n) 220 1 50 2.2 550 2600 18 780 76 5/500 9 G
205FLJ2(n) 380 1 50 1.3 500 2600 18 780 76 2/600 9 G
205FLJ3(n) 380 3 50 1.2 500 2600 18 780 76   9 G
205FLJ1(W) 220 1 50 0.9 190 1300 15 230 68 5/500 6.5 G
205FLJ2(W) 380 1 50 0.5 190 1300 15 230 68 27/630 6.5 G
205FLJ3(W) 380 3 50 0.4 190 1300 15 230 68   6.5 G
 
上一页   下一页
 
苏州大华电讯电机厂     联系人:王豪:15952409311  E-Mail:wanghao45@126.com   电话:0512-52477305
邮  编:215562     E - mail:cy@sz-dahuadxdj.com      传真:0512-52477385
地址:江苏省常熟市杨园工业园    技术支持:苏州商赢科技